



在各类发电厂、变电站中,为操控、信号、维护、自动装置以及某些操作执行机构供电的电源体系,通常称为操控电源。操控电源分为两类:①直流电源;②交流电源。直流电源因为独立于沟通动力电源体系,不受交流电源体系事端的影响,具有安全可靠、运转维护方便等特色,得到了广泛应用。特别是关于高电压和可靠性要求较高的电力设备,直流电源几乎是专一可选择的操控电源,正因为如此,人们对直流电源十分重视。
1. 直流屏电源体系的现状
现在,变电站的直流电源分为电力操作电源和通讯电源。通讯电源一般选用48V电源体系,电力操作电源一般选用220V/110V电源体系。这两种电源设备都是由体系监控装置、充电装置、串联蓄电池组和馈电回路4部分构成。其中,串联电池组是由单体电压为2V或12V的蓄电池经串接而成,作为变电站沟通事端停电后直流屏电源体系的后备电源。
因为操作电源和通讯电源通常独立装备蓄电池,这样就需要维护两套直流电源设备,运维管理成本很高。特别是电力操作电源,蓄电池串联的数量很多,更简单呈现单体电池电压不均衡的现象,进而导致有的电池长期过充电,有的电池长期过放电,严重影响整个蓄电池组的使用寿命。一旦某一只电池呈现故障,整个电池组就发挥不了应有的作用,甚至有时需要把整组电池更换掉,造成不必要的浪费。
为了保障直流供电的可靠性,国网公司要求定时对蓄电池做核对性放电测验,把电压落后的电池换掉,这时就需要把电池组脱开直流母线来进行。关于110kV及以下变电站,大多只配置一组电池,电池组脱离直流母线会给电力体系的运转安全带来巨大隐患。
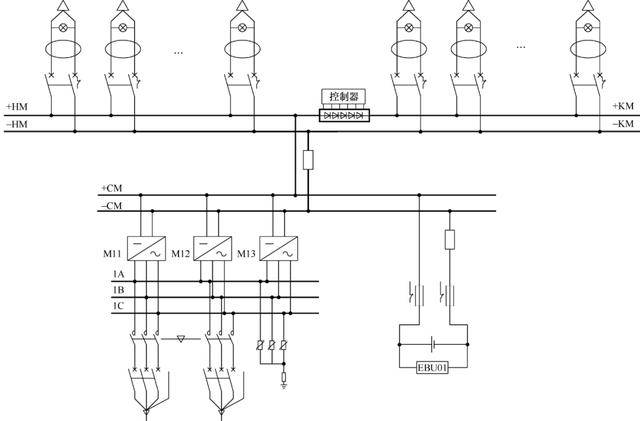
因为直流体系标称电压为220V/110V,而蓄电池的单体电压多为2V或12V,这就需要把很多电池串联起来才干满足要求。另外铅酸蓄电池的充放电特性使得电池在充电过程中,整组电池电压会升高,体系需要通过调压装置来维持直流母线电压的稳定。电力操作电源体系典型设计方案如图1所示。
图1 蓄电池串联型直流屏电源系统方案图
为解决单套直流电源中因单体蓄电池反常后整组蓄电池无法带载的问题,提及的一种并联型直流电源由若干个并联电池模块的高压输出端并联衔接组成。其中,每个电池模块均独立地装备12V蓄电池;使用时,电池模块同时接入AC 220V交流电源和12V蓄电池,当交丢失电时,电池模块将蓄电池的12V电压提升至DC 220V/110V。
这种并联型直流电源虽可解决因单节蓄电池损坏造成整组蓄电池功能反常的问题,却也存在着不足之处:
①因蓄电池的数量仍与传统的计划相同,并未削减,而带有智能监控和充电功能的电池模块的数量却需与蓄电池的数量相匹配,因为单只电池模块的价格远高于单节蓄电池的价格,使得整个直流电源的制作本钱上升很多,不具有经济性;
②兼有充电和升压功能的电池模块是一种需将12V提升到220V/110V的大功率器材,如此数量众多的电池模块也会给组屏安装带来新的难题。
近十几年来,跟着智能一体化电源设备的推广应用,在传统直流屏的基础上,装备DC/DC转化模块,输出48V通讯电源。但这种计划没有改动传统直流屏的蓄电池串联数量,也不能改善原有设备的运行工况。跟着高压开关的技术进步,操作电源的冲击电流大大减小。220kV及以下变电站的惯例负荷一般不会超越20A,通讯电源的惯例负荷也不超越30A。
目前变电站的直流电源设备装备大容量的蓄电池,不是因为负荷需求大电流,而是为了延长应急供电时刻。因而,在交流正常情况下,蓄电池组是处于备用状况,并不需求对外输出电能。
2 计划介绍
下面重点阐述一种混联型直流屏电源体系计划的优越性,体系计划如图2所示。
基于蓄电池混联型直流屏电源体系架构是在原体系架构基础上的改进,其具有下列功能差异:
1)蓄电池采用混联结构,即共用电池组,每组电池串联节数大大削减,降低了设备保护本钱。因为N个电池组并联使用,即便某一组退出,也不存在电池组脱离直流母线的危险。
2)电力操作电源由变流设备直接输出,单只模块的输出功率可达2kW,可并联扩容,满足不同场合的需求。
图2 蓄电池混联型直流屏电源体系计划图
3)通讯电源直接来自共用电池组的输出,不需求任何转化,利用现有技术,线路老练可靠,组屏便利。
4)电力操作电源不再受蓄电池充放电特性的直接影响,可以撤销传统的调压设备,优化了直流体系装备。
5)沟通停电时,共用电池组自动输出给变流设备,以便把DC 48V转化成DC 220V/110V,满意电力操作电源的大功率需求。
6)体系监控设备经过沟通电压传感器来判别沟通电是否停电,并办理充电设备和变流设备的运转。同时,实现对电池组的自动充放电保护,延长蓄电池的运用寿命。
7)该计划不需求每组电池装备一套充电设备,几个电池组之间经过共用电池组内部的逆流设备并联运转,构成各自独立的充放电回路。当其中一组处于保护状况时,不影响另一组电池的运转,大大提高电源体系的可靠性。
8)共用电池组中若有某一组电池出现故障,只需替换该组的4节或24节电池,而传统直流屏需求换掉的电池为18节或104节,因而,替换电池的数量大大削减,这样在一定程度上就降低了资源的糟蹋。
3 体系计划特色
基于上述剖析,结合现在变电站直流屏电源体系的实践运转情况,笔者以为针对传统直流屏电源体系进行优化整合对错常有含义的。现提出一种将操作电源和通讯电源共用电池组的混合型直流屏电源体系处理办法,该体系计划主要由监控设备、充电设备、变流设备、N个串联电池组和馈电回路等构成。
其具有以下特色:
1)在有沟通电时,电力操作电源和通讯电源各自都能独立运转。电力操作电源选用变流设备直接整流后供应DC 220V/110V直流母线,通讯电源选用充电设备经由逆流设备后供应-48V通讯电源母线,防止从DC 220V/110V直流母线经过DC/DC二次电压改换。在沟通停电时,电力操作电源和通讯电源共用蓄电池组。此刻,经过逆流设备并联起来的蓄电池组,一方面可以经变流设备升压后供应电力操作电源,另一方面可以直接供电给通讯电源。
2)传统的电力操作电源DC 220V/110V的充电设备撤销,变流设备可以替代这种充电设备的整流功能。变流设备可多台并联输出,便利体系扩容;当有沟通电输入时,变流设备把AC 380V转化成安稳的DC 220V/110V;当沟通失电时,则把混联结构的电池组的DC 48V转化成DC 220V/110V。
3)混联结构的电池组,体系配备4节12V或24节2V的N个串联电池组,且这些串联电池组再以并联方法运转。
4)充电设备选用48V等级,充电设备可多台并联输出,便利体系扩容;经过逆流设备将充电和放电回路分隔,一套充电设备可以给两组及以上蓄电池充电。
5)体系的组屏方法仍保存现在一体化电源设备的风格,盘面安置和内部设备空间都不需求进行大的变动。与传统的体系计划比较后期保护本钱改变不大。
6)体系共用电池组后,在进行单一蓄电池组的核容性放电或检修时,其他的电池组仍能正常运转,无需考虑交流电源忽然停电带来的危险。选用电池组混联型接线方法,改变了蓄电池组串联的传统结构,处理了直流屏电源体系因单体蓄电池反常后整组蓄电池无法带载的问题,极大改进了体系可靠性。可对单一的蓄电池组独自检修替换,提高了蓄电池利用效率。
7)正常运转时,变流设备和充电设备受体系监控设备操控,在体系监控设备故障时,也可以各自独立运转在默认值状况。另外,相较于独立运转的电力操作电源体系和通讯电源体系,该混合型直流屏电源体系中蓄电池的运用数量也明显削减,从而大大降低了项现在期的投入本钱。
4 结论
本文提出了一种选用蓄电池混联方法的直流屏电源体系的思路,处理了因单体蓄电池反常后整组蓄电池无法带载的问题。它整合了传统的电力操作电源体系和通讯电源体系,消除了蓄电池组在核容性放电或检修过程中,遇沟通忽然停电导致直流电源瘫痪的危险,便利了变电站的直流屏电源体系的日常运转保护,从而极大地降低了直流屏电源体系的运维办理本钱,进一步提高了直流屏电源体系的安全可靠性。
下一篇:双电双充直流屏系统的倒闸操作说明
扫描二维码
浏览手机端页面
了解更多信息
地 址: 浙江省乐清市柳市镇茶亭北路湖横长虹工业园北区8栋
电 话: 0577-62767799
传 真: 0577-62760677
邮 箱: 40081476@qq.com
邮 编: 325604
网 址: www.zhiliuping.net
